新聞中心
產品中心
聯系我們
深圳市東么川伺服控制技術有限公司
電話:13316379101
郵箱:1355229533@qq.com
地址:深圳市龍華區民治街道樟坑社區青創城A棟B502
東么川分享步進電機驅動器的工作原理
發布時間:2020-12-18 08:25:09
步進電機驅動器介紹。

步進電機驅動器是將電脈沖信號轉換成角位移的執行器。步進驅動器接收到脈沖方波信號時,驅動步進電機在指定方向上以固定角度(稱為步距角)旋轉,其旋轉以固定角度步進運行。角位移可以通過控制脈沖數來控制,從而達到精確定位的目的;同時,可以通過控制脈沖頻率來控制電機轉速,從而達到調速定位的目的。
步進電機驅動系統的性能不僅取決于步進電機本身的性能,還取決于步進電機驅動器的優缺點。步進電機驅動器的研究幾乎與步進電機的研究同步。
步進電機按結構分類:步進電機又叫脈沖電機,包括無功步進電機(簡稱VR)、永磁步進電機(簡稱PM)、混合式步進電機(簡稱HB)。(現在市場上大部分是混合式步進電機);
步進電機的基本原理。

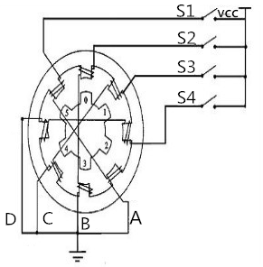
步進電機驅動原理,采用單極DC電源。只要步進電機的各相繞組按照適當的時間順序通電,步進電機就可以逐步旋轉。圖1是四相無功步進電機的工作原理示意圖。
圖片。
步進電機原理圖開頭,開關SB接通,SA、sc、SD斷開,b相磁極對準轉子0號、3號齒。同時,轉子1、4號齒與c、d相繞組磁極交錯,2、5號齒與d、a相繞組磁極交錯。當開關SC接通,SB、SA、SD斷開時,由于C相繞組與1、4號齒之間磁力線的作用,轉子轉動,1、4號齒與C相繞組的磁極對準。0號、3號齒與A、B相繞組交錯,2號、5號齒與A、D相繞組磁極交錯。依此類推,如果四相繞組a、b、c、D依次供電,轉子就會沿a、b、c、D方向旋轉..
1)單電壓電源驅動;
2)雙電壓動力驅動;
3)高低壓動力驅動;
4)斬波恒流電源驅動;
5)頻率提升和電壓提升功率驅動;
6)集成動力驅動;
- 上一篇:掃盲|直流無刷電機知識
- 下一篇:110步進電機接線圖詳情參數尺寸
產品推薦:兩相步進電機
產品推薦:無刷電機
產品推薦:兩相步進驅動器
產品推薦:直流無刷驅動器




























地址 ADDRESS