產品中心
解決方案
聯系我們
深圳市東么川伺服控制技術有限公司
電話:13316379101
郵箱:1355229533@qq.com
地址:深圳市龍華區民治街道樟坑社區青創城A棟B502
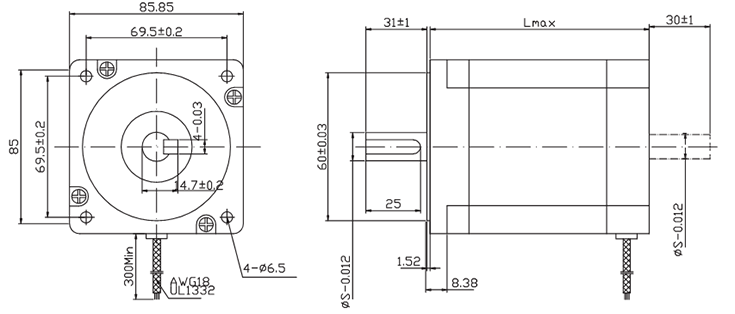
86mm三相混合式步進

型號:86mm
名稱:86mm三相混合式步進
簡介:
86mm系列三相混合式步進電機,基于業界先進的磁路設計方案。在選材上,采用耐高溫永磁體和優質冷軋鋼片制造,選用日本NMB或NSK軸承,電機表面經噴塑或鋁殼密封處理。
- 規格參數
- 產品特點
- 產品尺寸圖
- 匹配產品
- 應用領域
- 資料下載

| 項目 | 技術參數 |
| 步距角 | 1.2° |
| 步距角精度 | ±5%(整步,空載) |
| 電阻精度 | ±10%(@20°) |
| 電感精度 | ±20%( 1KHz) |
| 溫升 | 80℃Max.(額定電流,2相通電) |
| 環境溫度 | -20°~ + 50℃ |
| 絕緣電阻 | 100MΩMin.500VDC |
| 耐壓 | 500VAC一分鐘 |
| 徑向間隙 | 0.2mmMax.(450g負載) |
| 軸向間隙 | 0.8 mmMax.(450g負載) |
| 徑向最大負載 | 220N(距法蘭面20mm) |
| 罪行重大負載 | 60N |
型號參數:
| 型號 | 步距角(度) | 額定電壓(V) | 額定電流(A) | 相電阻 (Ω) | 相電感 (mH) | 保持轉矩(N.M) | 轉子慣量(g.c㎡) | 機身長 (mm) | 軸徑 (mm) | 引線數 |
| 863S22 | 1.2 | 325 | 1.75 | 4.25 | 12.3 | 2.26 | 1120 | 67 | 12 | 6 |
| 863S42 | 1.2 | 40 | 5.8 | 0.97 | 3.2 | 4.18 | 2320 | 97 | 12 | 6 |
| 863S42H | 1.2 | 325 | 2 | 5.8 | 21 | |||||
| 863S68 | 1.2 | 40 | 5.2 | 1.8 | 8 | 6.78 | 3300 | 127 | 12 | 6 |
| 863S68H | 1.2 | 325 | 2.25 | 9 | 39 |
●雙極性 1.2°
●機座號:86
●保持轉矩:2.26~6.78N.M
●輸出轉矩大 ,高轉速
●電機發熱小,噪音低,效率高
●高速停止平穩快速,無零速振蕩運行平穩,振動噪聲小
●響應速度快,適合頻繁啟停的場合

86mm三相混合式步進電機
- 上一篇:110mm系列混合式步進
- 下一篇:57mm三相步進
相關產品:兩相步進電機
相關產品:無刷電機
相關產品:兩相步進驅動器
相關產品:產品中心




























地址 ADDRESS