產品中心
解決方案
聯系我們
深圳市東么川伺服控制技術有限公司
電話:13316379101
郵箱:1355229533@qq.com
地址:深圳市龍華區民治街道樟坑社區青創城A棟B502
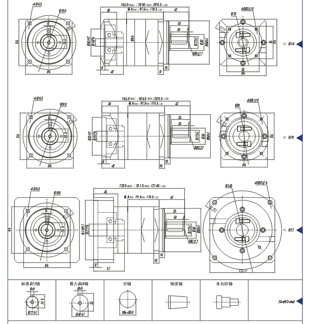
DCF+85精密行星減速機

型號:DCF+85
名稱:DCF+85精密行星減速機
簡介:
- 規格參數
- 產品特點
- 產品尺寸圖
- 匹配產品
- 應用領域
- 資料下載
參數:
| 級數 | 單級 | 雙級 | ||||||||||||
| 減速比(i) | 3 | 4 | 5 | 7 | 10 | 12 | 16 | 20 | 25 | 28 | 35 | 40 | 50 | 70 |
| 額定輸出力矩2n(Nm) | 60.0 | 88.0 | 95.0 | 66.0 | 40.0 | 98.0 | 98.0 | 98.0 | 105.0 | 98.0 | 105.0 | 98.0 | 105.0 | 75.0 |
| 最大輸出力矩T 2not (Nm) | 120.0 | 176.0 | 190.0 | 132.0 | 80.0 | 196.0 | 196.0 | 196.0 | 210.0 | 196.0 | 210.0 | 196.0 | 210.0 | 150.0 |
| 轉動慣量j1(kgc㎡) | 0.72 | 0.52 | 0.45 | 0.41 | 0.35 | 0.72 | 0.52 | 0.45 | 0.45 | 0.41 | 0.41 | 0.35 | 0.35 | 0.35 |
| 級數 | 三級 | ||||||||||||
| 減速比(i) | 80 | 100 | 125 | 140 | 175 | 200 | 250 | 280 | 350 | 400 | 500 | 700 | 1000 |
| 額定輸出力矩T 2n(Nm) | 125.0 | 12.5 | 135.5 | 125.5 | 135.5 | 125.0 | 135.0 | 125.0 | 135.0 | 125.0 | 135.0 | 93.0 | 58.0 |
| 最大輸出力矩T 2not (Nm) | 250.0 | 250.0 | 270.0 | 250.0 | 270.0 | 250.0 | 270.0 | 250.0 | 270.0 | 250.0 | 270.0 | 186.0 | 116.0 |
| 轉動慣量j1(kgc㎡) | 0.45 | 0.45 | 0.45 | 0.41 | 0.41 | 0.35 | 0.35 | 0.35 | 0.35 | 0.35 | 0.35 | 0.35 | 0.35 |
| 級數 | 單級 | 雙級 | 三級 | |||
| 額定輸入轉速n 1N(rpm) | 3500 | 3500 | 3500 | |||
| 最大輸入轉速n 1B(rpm) | 6000 | 6000 | 6000 | |||
| 最大容許徑向力F 2rb(N) | 3760 | 4600 | 7480 | |||
| 最大容許軸向力F 2aB(N) | 6000 | 7600 | 12000 | |||
| 空載力矩(Nm) | 約0.7 | 約0.3 | 約0.3 | |||
| 滿載效率(%) | 96 | 94 | 90 | |||
| 回程間隙(arcmin) | 精密側隙<3<> | 標準側隙<8<> | 精密側隙<5<> | 標準側隙<10<> | 精密側隙<8<> | 標準側隙<12<> |
| 噪音(dB) | ≤60 | ≤60 | ≤60 | |||
| 重量(kg) | 1.2 | 1.5 | 1.8 | |||
| 平均壽命(h) | >20000 | |||||
| 抗扭剛性(Nm/amin) | 7.5 | |||||
| 潤滑油 | 長效潤滑 | |||||
| 旋轉方向 | 輸入輸出同向 | |||||
| 保護等級 | IP65 | |||||
| 安裝方式 | 任意 | |||||
●減速比(i=Nin/Nout)。
●減速機回程間隙是在受力2%的額定輸出力矩T2N下測得。
●最大容許徑向力/軸向力:單級在輸出轉速為100rpm時,雙級在輸出轉速為50rpm時,三級在輸出轉速為10rpm時,作用于輸出軸中心位置(1/2軸長處)所測得允許徑向力及軸向力。
●噪聲值是在額定輸入轉速 1N=3000rpm且無負載下測得。
●減速機壽命是在額定負載下,連續運轉的時間。
●配電機尺寸:電機不同,與之匹配的尺寸將有所變化,適配器將不同。本公司減速機能與任何電機匹配安裝。
●轉動慣量:指減速機輸入端啟動需要的慣量值,樣本上均指輸入軸徑為Ø19時的結果。

- 上一篇:DCF+60精密行星減速機
- 下一篇:DCF+115步進減速機
相關產品:兩相步進電機
相關產品:無刷電機
相關產品:兩相步進驅動器
相關產品:產品中心




























地址 ADDRESS